

The GXV390 is an ideal choice when you need power, reliability and fuel efficiency for your small vehicles and construction equipment.


The GXV390 is an ideal choice when you need power, reliability and fuel efficiency for your small vehicles and construction equipment.
Professionals rely on the GXV390 to deliver reliable and easy-starting, along with fuel-efficient performance, day in and day out.
Features
Specifications
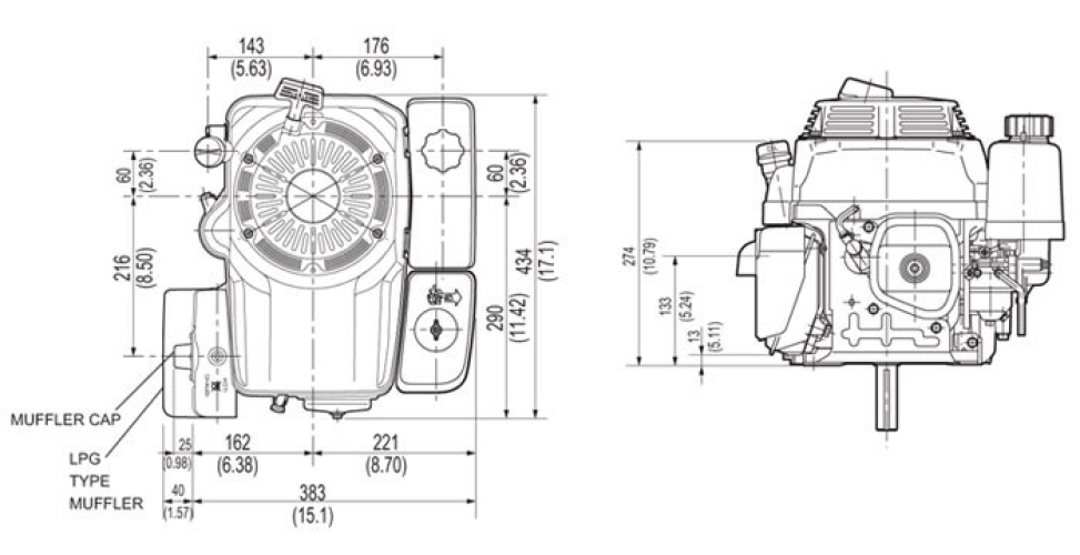
Dimension Diagram
Performance Curve
Download the Owner's Manual to find more detailed information about this engine.
Keeping your Honda healthy is an
imperative part of maintaining the
quality, reliability and performance of
your engine.
Download the features and specifications sheet for this engine.
Honda has a long history of groundbreaking innovation. Discover the Honda difference.

